おかげさまで開設25周年SASUREA.MN 創業祭

SASUREA.MN

詳しくはこちら
マイストア マイストア 変更
  • 即日配送
  • 広告
  • 取置可能
  • 店頭受取

HOT ! ADC年鑑 2015 ADC-VC847PF - Alarm.com Pro Series Indoor/Outdoor 2MP Varifocal

※SASUREA.MN 限定モデル
YouTuberの皆様に商品の使い心地などをご紹介いただいております!
紹介動画はこちら

ネット販売
価格(税込)

6960

  • コメリカード番号登録、コメリカードでお支払いで
    コメリポイント : 5ポイント獲得

コメリポイントについて

購入個数を減らす
購入個数を増やす

お店で受け取る お店で受け取る
(送料無料)

受け取り店舗:

お店を選ぶ

近くの店舗を確認する

納期目安:

13時までに注文→17時までにご用意

17時までに注文→翌朝までにご用意

受け取り方法・送料について

カートに入れる

配送する 配送する

納期目安:

2026.01.13 21:45頃のお届け予定です。

決済方法が、クレジット、代金引換の場合に限ります。その他の決済方法の場合はこちらをご確認ください。

※土・日・祝日の注文の場合や在庫状況によって、商品のお届けにお時間をいただく場合がございます。

即日出荷条件について

受け取り方法・送料について

カートに入れる

欲しいものリストに追加

欲しいものリストに追加されました

ADC年鑑 2015 ADC-VC847PF - Alarm.com Pro Series Indoor/Outdoor 2MP Varifocalの詳細情報

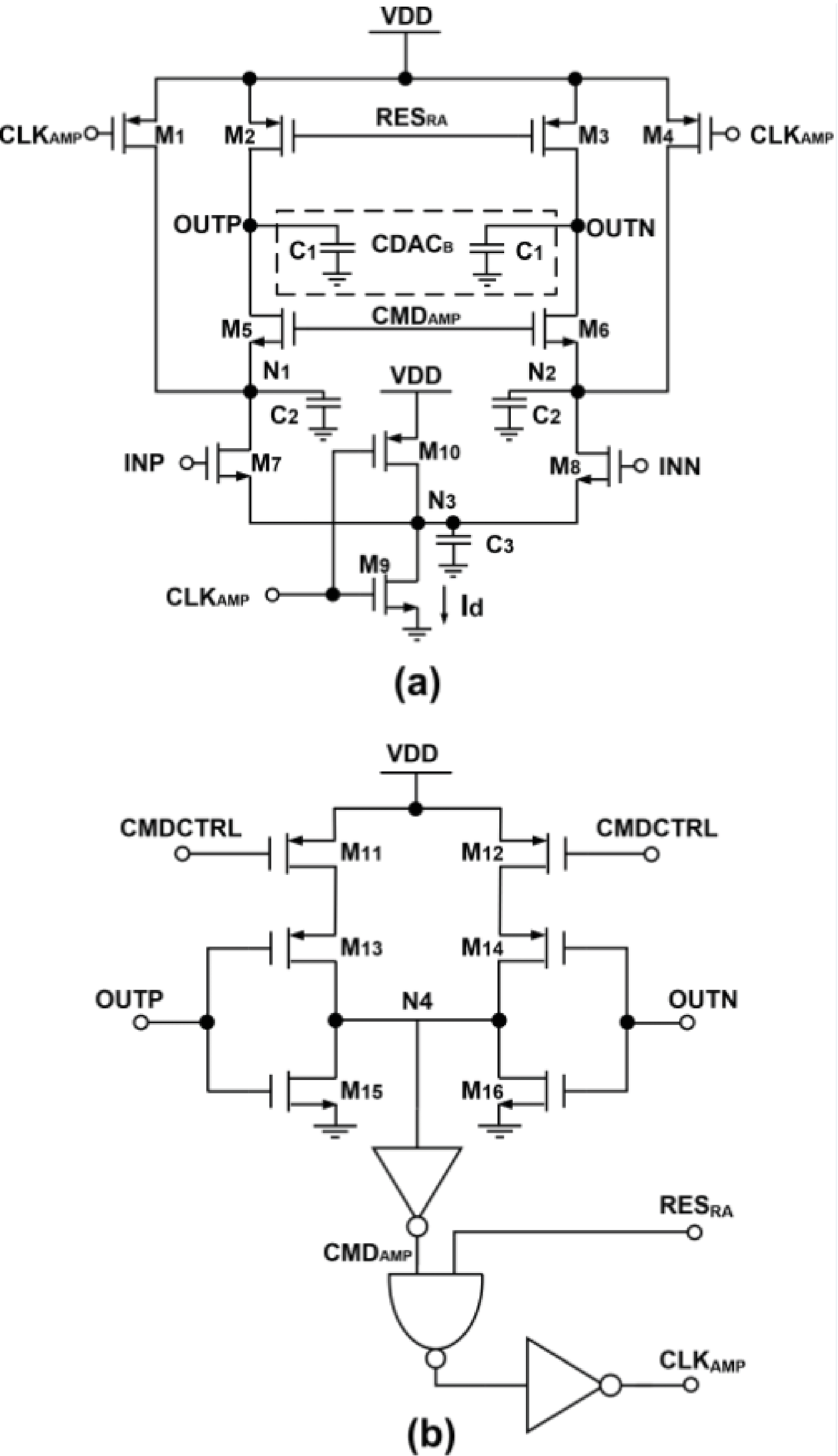
ADC-VC847PF - Alarm.com Pro Series Indoor/Outdoor 2MP Varifocal。A 2.56-GS/s 12-bit 8x-Interleaved ADC With 156.6-dB FoMS in 65-nm CMOS。16Bits ADC 8CH Synchronization AD7606 DATA Acquisition Module。Alarm.com, ADC-VC836,ADC-VC825, Fixed Indoor, Wireless, IP Camera。「ADC年鑑 2015」ADC年鑑事務局定価: ¥ 21500#ADC年鑑事務局 #本 #芸術/写真・工芸
  • ADC-VC847PF - Alarm.com Pro Series Indoor/Outdoor 2MP Varifocal
  • A 2.56-GS/s 12-bit 8x-Interleaved ADC With 156.6-dB FoMS in 65-nm CMOS
  • 16Bits ADC 8CH Synchronization AD7606 DATA Acquisition Module
  • Alarm.com, ADC-VC836,ADC-VC825, Fixed Indoor, Wireless, IP Camera

同じカテゴリの 商品を探す

ベストセラーランキングです

このカテゴリをもっと見る

この商品を見た人はこんな商品も見ています

近くの売り場の商品

このカテゴリをもっと見る

カスタマーレビュー

オススメ度  4.5点

現在、2525件のレビューが投稿されています。